BVS hava seperatör teknolojisi, özellikle kaba bir malzemeden çok ince parçacıkların ayrıştırılmasının gerektiği uygulamalarda yaygın olarak kullanılan bir ayırma yöntemidir. BVS hava seperatörleri, 10 ila 100 mikron arasındaki kuru malzemeleri ayırmak için kullanılan, yüksek verimli, hava akışlı ve santrifüj kuvvetli bir sınıflandırıcıdır. Tasarımı, sürece özel olarak uyarlanır. BVS seperatörler, besleyici, fan ve filtre ekipmanları ile bağımsız bir sistem olarak ya da geleneksel bir öğütme sistemi içinde kapalı devre çalışacak şekilde tasarlanmıştır. BVS seperatörler, mevcut hava sistemlerine minimum değişiklikle monte edilebilir ve geniş bir besleme değişkenliği aralığında hassas incelik (partikül boyutu) elde edilmesini sağlar.
• D97 10-100 mikron aralığında kontrollü tane boyutu elde etme.
• Rotorun dikey konumlandırılması ve yüksek üst kesim netliği sayesinde yüksek verimlilik.
• Daha az alan kaplar. Kapalı sistemi, tozsuz çalışması ve düşük gürültü seviyesi ile çevre dostudur.
• Devreye alma ve işletme kolaylığı.
• Endüstriyel, pilot ve laboratuvar boyutları mevcuttur.
• Aşınmaya karşı çelik, paslanmaz çelik, PU veya seramik malzemeler (Al2O3) ile koruma.
• 8 bar'a kadar basınca karşı dayanıklı veya basınç şoklarına karşı korumalı.
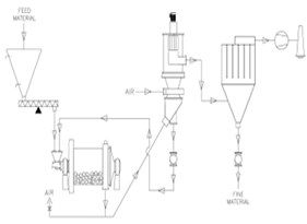
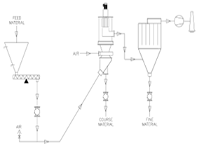
Besleme malzemesi, ana hava akışıyla birlikte seperatöre girer. Bu, seperatöre doğrudan pnömatik besleme ile bir sisteme entegre etmenin ekonomik faydalar sağlar. Seperatör rotoru, ya bir kayışla ya da elektrik motoruyla doğrudan tahrik edilir. Hızı, frekans dönüştürücü kullanılarak ayarlanabilir; bu da parçacık boyutunun, rotor hızını değiştirerek çalışırken kolayca kontrol edilmesini sağlar. İstenen boyut üzerindeki parçacıklar, seperatör rotorunda bulunan kanatları aracılığıyla itilir. Daha sonra, ince parçacıklar ana hava akışında sürüklenerek ince malzeme çıkışından filtre grubuna emilir ve uygun bir torba filtresinde toplanır. Kaba parçacıklar, seperatör rotoru tarafından reddedilir ve kaba malzeme çıkışından boşaltılır. Boşaltılmadan önce, kaba malzeme, ikincil hava tarafından oluşturulan bir spiral akışla vortex oluşturularak verim artırılması sağlanır. Bu, kalan ince parçacıkları ayırır, kesim hassasiyetini artırır ve ince malzeme verimini yükseltir.
| BVS | Tip | BVS150 | BVS200 | BVS315 | BVS500 | BVS650 |
|---|---|---|---|---|---|---|
| Güç | kW | 4 | 5,5 | 11 | 22 | 30 |
| Hız | rpm | 8000 | 6000 | 3800 | 2400 | 1800 |
| Debi | m³/h | 600 | 1200 | 3000 | 7500 | 12000 |
| İncelik | d97 mic. | 10-75 | 10-75 | 10-85 | 15-100 | 20-150 |
| Capacity | d97 mic. | - | - | - | - | - |
| 10 mic. | t/h | 0.06 | 0.12 | 0,3 | - | - |
| 20 mic. | t/h | 0.12 | 0.25 | 0,62 | 1,5 | 2,5 |
| 45 mic. | t/h | 0.2 | 0.4 | 1 | 2,5 | 4 |
| Seperatör Rotoru | Al2O3 Kaplama |
|---|---|
|
|
| Değirmen İle Kapalı Çevrim | Bireysel Seperatör Sistemi |
|---|---|
|
|
